What Are Manufacturing Ready CAD Drawings?
Master manufacturing-ready CAD drawings. Learn how precise 2D/3D models, GD&T, and technical specs prevent production errors and cut costs. Read our guide.
Why Manufacturing Ready CAD Drawings Are Important
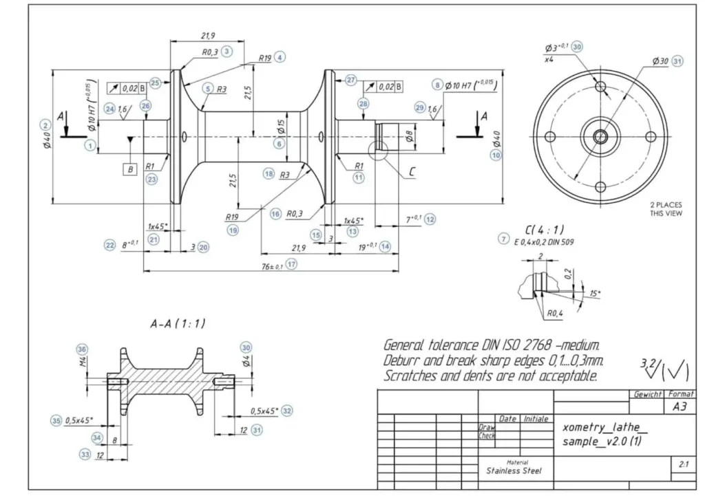
Manufacturing ready CAD drawings are detailed technical drawings created using computer-aided design (CAD) software that provide all the information required to manufacture a component or product. These drawings include precise dimensions, tolerances, materials, and technical specifications so that manufacturers can produce parts accurately and efficiently.In modern engineering and product development, CAD drawings play a critical role in converting design concepts into real physical components. Without accurate drawings, manufacturers may misunderstand design requirements, which can lead to production errors, increased costs, and delays.
Manufacturing-ready CAD drawings ensure that engineers, machinists, and fabricators clearly understand the design and production requirements of a component.
Manufacturing drawings serve as the communication bridge between design engineers and manufacturing teams. A well-prepared CAD drawing eliminates confusion by clearly defining the geometry, dimensions, tolerances, and assembly instructions for a part or product.
These drawings help manufacturers understand how a part should be fabricated, assembled, or machined. They also ensure that every dimension and specification is properly documented, reducing the chances of errors during production.
Another important advantage of manufacturing-ready CAD drawings is improved collaboration between teams. Designers, engineers, suppliers, and fabricators can all refer to the same drawing to understand the exact requirements of the product.
Key Elements of Manufacturing Ready CAD Drawings
A professional CAD drawing prepared for manufacturing usually contains several important elements.
Precise Dimensions
Every critical dimension required for manufacturing must be clearly defined. Accurate dimensioning ensures that the part will be produced with the correct size and geometry.
Geometric Dimensioning and Tolerancing (GD&T)
GD&T symbols define the allowable variations in size and geometry. This ensures that parts fit together correctly and function as intended.
Material Specifications
The drawing should specify the type of material required for manufacturing, such as aluminum, stainless steel, or mild steel. This information helps manufacturers select the correct material for production.
Surface Finish Requirements
Surface finish instructions define how smooth or rough the surface of a component should be. This is especially important for parts that require precise machining.
Technical Notes
Additional instructions such as heat treatment, coatings, welding instructions, or inspection requirements are included in the notes section of the drawing.
Types of CAD Drawings Used in Manufacturing
Different types of CAD drawings are used depending on the complexity and purpose of the product.
2D Manufacturing Drawings
These drawings show the front, top, and side views of a component along with detailed dimensions and annotations.
Assembly Drawings
Assembly drawings illustrate how multiple components fit together to form a complete product or machine.
Sheet Metal Drawings
Sheet metal drawings contain bend information, flat patterns, and fabrication instructions required for manufacturing sheet metal parts.
Exploded Views
Exploded drawings show how parts are assembled step by step, making them useful for installation and maintenance.
Benefits of Professional CAD Drafting Services
Many manufacturing companies choose to outsource CAD drafting services to experienced professionals. This approach offers several advantages.
Professional CAD drafting services ensure that drawings follow industry standards and manufacturing best practices. Experienced CAD designers understand how to prepare drawings that machinists and fabricators can easily interpret.
Outsourcing CAD drafting also saves time for engineering teams, allowing them to focus on product development and innovation rather than drawing preparation.
Another major benefit is improved accuracy. Skilled CAD professionals use advanced tools and quality checks to ensure that drawings are precise and free from errors.
How CAD Drawings Improve Manufacturing Efficiency
Manufacturing-ready CAD drawings significantly improve production efficiency by providing clear and detailed design information. When manufacturers receive well-prepared drawings, they can quickly understand the design intent and begin production without delays.
Accurate drawings also reduce material waste and rework because manufacturers can produce components correctly the first time. This leads to lower production costs and faster project completion.
In addition, CAD drawings allow companies to store and reuse design data for future projects, which improves productivity and consistency.
Conclusion
Manufacturing ready CAD drawings are essential for turning design concepts into real-world products. They provide manufacturers with precise technical information needed to produce parts accurately and efficiently.
By including detailed dimensions, GD&T specifications, material information, and technical notes, CAD drawings ensure that engineers and manufacturers work with a clear understanding of the design requirements.
Companies that invest in high-quality CAD drafting services benefit from improved production accuracy, better collaboration, and reduced manufacturing errors.
Need Manufacturing Ready CAD Drawings?
IndusDraft provides professional CAD drafting services for manufacturing industries and engineering companies. Our team specializes in preparing accurate engineering drawings suitable for machining, fabrication, and product development.
If you have sketches, concepts, or existing drawings that need to be converted into manufacturing-ready CAD files, feel free to contact us for a quick review and quote.
